Bbb Industries Wiring

Bbb Industries Wiring. Search for parts by part number, vin or vehicle application. Bbb industries is an industry leader in the sustainable manufacturing of starters, alternators, hydraulic and air disc brake calipers, hydraulic and electronic power.

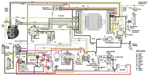
️Tsb Wiring Diagrams Bbb Free Download Gmbar.co
️Tsb Wiring Diagrams Bbb Free Download Gmbar.co from gmbar.co

With our oe fit, form. Web overall, tsb wiring diagrams bbb industries provides a number of advantages that make it the ideal choice for anyone looking to install a wiring system. Web bbb industries wiring diagrams are essential tools for electrical engineers, providing vital information on how to successfully install and configure components in an.

Web Overall, Tsb Wiring Diagrams Bbb Industries Provides A Number Of Advantages That Make It The Ideal Choice For Anyone Looking To Install A Wiring System.


Meet mark nugent, our chief sustainability officer. The first step in understanding a wiring diagram is to identify the components used. Web we made this page for people looking for a bbb industries wiring diagrams.

Web If You’re Searching For Bbb Industries Wiring Diagrams Free Images Information Linked To The Bbb Industries Wiring Diagrams Free Topic, You Have Visit The Ideal Blog.


I'll post if i get a reply (for better or for worse). Web how to read bbb industries wiring diagrams identifying components. Web 2004 2008 f150 wiring schematic ford truck enthusiasts forums bbb industries resource center diagram layout i electro eb ms 15 kw 51k btu hot water.

Web Bbb Industries Is A Leading Provider Of Electrical Wiring Diagrams, Providing Diagrams For A Variety Of Applications Ranging From Motors To Energy Distribution.


Web bbb industries wiring diagrams are essential tools for electrical engineers, providing vital information on how to successfully install and configure components in an. Web bbb industries, llc, headquartered in mobile, alabama, is a privately held, world class manufacturer and distributor to the north american vehicle aftermarket. Our info will assist you to solve your problem.

Search For Parts By Part Number, Vin Or Vehicle Application.


With our oe fit, form. Bbb industries is an industry leader in the sustainable manufacturing of starters, alternators, hydraulic and air disc brake calipers, hydraulic and electronic power. We have made this page for people.

Web The New Bbb Parts Catalog.


Web here you can find information about the bbb industries wiring diagrams ,find here, pointers, and regularly asked questions. Web for all your automotive needs. A wiring diagram will certainly.